聯系人:王經理
銷售電話:15610293837
銷售QQ:2962700085
公司地址:山東省濰坊高新區新城街道玉清社區光電路155號濰坊高新區光電產業加速器(一期)1號樓301

PRODUCT CENTER
聯系人:王經理
銷售電話:15610293837
銷售QQ:2962700085
公司地址:山東省濰坊高新區新城街道玉清社區光電路155號濰坊高新區光電產業加速器(一期)1號樓301
不銹鋼氣象儀又稱金屬款氣象儀,金屬款六要素氣象傳感器 ,不銹鋼氣象儀能夠監測環境溫度、相對濕度、風速、風向、大氣壓力、壓電雨量等六項氣象要素,通體采用不銹鋼材質設計,抗腐蝕性高可用于航洋領域
一、不銹鋼氣象儀產品簡介
不銹鋼氣象儀又稱金屬款氣象儀,金屬款六要素氣象傳感器 ,不銹鋼氣象儀能夠監測環境溫度、相對濕度、風速、風向、大氣壓力、壓電雨量等六項氣象要素,通體采用不銹鋼材質設計,抗腐蝕性高可用于航洋領域
山東萬象環境科技有限公司作為專業研發生產銷售微型氣象儀的企業,一直致力于微型氣象儀和氣象環境解決方案推廣應用。具有完整的生產鏈、實力雄厚的技術團隊和全面的營銷團隊,我們研發生產的超聲波風速風向儀、五要素微氣象儀、六要素微氣象儀和小型自動氣象站等氣象產品,已廣泛應用到氣象監測、城市環境監測、風力發電、航海船舶、航空機場、橋梁隧道等領域,客戶遍布全國各地,并取得了良好的社會效益和經濟效益。
WX-Y6S型六要素微氣象儀原理為發射連續變頻超聲波信號,通過測量相對相位來檢測風速風向。與傳統的超聲波風速風向儀相比,我司產品克服了對高精度計時器的需求,避免了因傳感器啟動延時、解調電路延時、溫度變化而造成的測量不準問題。
WX-Y6S型六要素微氣象儀創新性地將氣象標準六參數(環境溫度、相對濕度、風速、風向、大氣壓力、壓電雨量)通過一個高集成度結構來實現,可實現戶外氣象參數24小時連續在線監測,通過數字量通訊接口將六項參數一次性輸出給用戶。
二、不銹鋼氣象儀產品特點
1、頂蓋隱藏式超聲波探頭,避免雨雪堆積的干擾,避免自然風遮擋(北京氣象局校準證書)☆
2、原理為發射連續變頻超聲波信號,通過測量相對相位來檢測風速風向(北京氣象局校準證書)☆
3、風速、風向、溫度、濕度、大氣壓力、壓電雨量六要素一體式☆
4、采用先進的傳感技術,實時測量,無啟動風速☆
5、抗干擾能力強,具有看門狗電路,自動復位功能,保證系統穩定運行
6、高集成度,無移動部件,零磨損
7、免維護,無需現場校準
8、采用不銹鋼材質,強度高、抗氧化、抗腐蝕
9、產品設計輸出信號標配為RS485通訊接口(MODBUS協議);可選配232、USB、以太網接口,支持數據實時讀取☆
10、可選配外置無線傳輸模塊,最小傳輸間隔1分鐘
11、可選配內置加熱模塊:加熱電流1A(DC12V),加熱功耗12-15W
12、一體式設計磨損小、使用壽命長、響應速度快
三、不銹鋼氣象儀技術參數
1、風速:0~60m/s(±0.1m/s);(北京市氣象校準證書)
2、風向:0~360°(±2°);(北京市氣象校準證書)
3、空氣溫度:-40-60℃(±0.3℃);(北京市氣象局校準證書)
4、空氣濕度:0-100%RH(±3%RH);(北京市氣象局校準證書)
5、大氣壓力:300-1100hpa(±0.25%);(北京市氣象局校準證書)
6、壓電雨量:0-4mm/min(±4%)
7、功率:1.08W
8、生產企業具有ISO質量管理體系、環境管理體系、職業健康管理體系認證☆
9、生產企業具有專利證書和計算機軟件注冊證書☆
10、生產企業為3A級信用企業☆
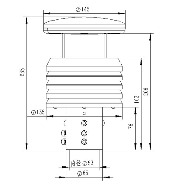
四、產品尺寸圖

五、產品結構圖

六、注意事項
1.傳感器水平周圍1米半徑無遮擋,避免水滴飛濺影響
2.傳感器安裝位置應避開強機械振動源
3.傳感器安裝上方應為開闊區域,雨滴應直接滴落至傳感器,應免二次滴落和連續水流沖擊
WX-CQ5高清款蟲情測報儀基于先進的圖像識別技術和物聯網通信技術,能夠實時監測農田中的蟲害情況。其工作原理是通過高清攝像頭捕捉農田中的昆蟲圖像,利用圖像識別算法對昆蟲種類、數量進行智能分析,并將監測數據實時上傳至云端服務器。用戶可以通過手機APP或電腦端遠程訪問這些數據,及時了解農田蟲害動態,從而采取針對性的防治措施。···
WX-NQ12無線農業氣象綜合監測站的獨特之處在于它徹底擺脫了線纜的束縛。傳統的農業氣象站往往受限于布線難題,安裝位置固定不變,而無線技術的應用讓監測變得靈活自由。設備可以隨著作物生長階段的需要隨時調整位置,無論是稻田中央還是果園深處,都能輕松部署。這種"隨需而變"的特性,讓氣象監測真正跟上了農業生產的節奏。···
WX-FGF9光伏電站環境監測儀就是負責監測光伏電站周圍環境條件的設備。它就像電站的“眼睛”和“耳朵”,時刻關注著氣溫、風速、風向、輻照度等關鍵參數。這些參數對于光伏電站的發電效率至關重要,一旦環境發生變化,監測儀就能迅速捕捉到,并通過數據分析為電站的運維提供決策支持。環境監測儀在光伏電站中的作用不可小覷。首先,它能幫助電站提前預測天氣變化,從而調整運行策略,確保在惡劣天氣下也能保持較高的發電效率。···
雷達測速儀精確反饋行駛速度。道路千萬條,安全第一條。觀察新聞報道的交通事故,有大部分是因為超速,車速如果過快,轉彎時離心力會增加,車速增為兩倍,離心力增為四倍。遇到情況急打方向盤,車輛容易發生側滑,嚴重時會導致翻車。另外,超速還會導致追尾、影響駕駛員判斷等問題。所以在路上一定需要對行駛速度進行把控。···
WX-BZ2植物病菌孢子捕捉儀它的主要任務就是捕捉和監測植物病菌孢子。這些微小的孢子,雖然肉眼難以察覺,但它們卻攜帶著導致植物病害的“秘密武器”。一旦條件適宜,這些孢子就會迅速繁殖,對植物造成嚴重的危害。而病菌孢子捕捉儀,就像是植物健康的守護者,時刻警惕著這些潛在威脅。···
WX-SW2雨量水位一體站是一款集雨量監測和水位監測于一體的全自動水文在線監測系統。它采用先進的K波段平面雷達技術,通過非接觸的方式,實現了對水體水位和降雨量的精準測量。這一技術的核心在于其高頻率、高精度和強抗干擾能力,使得雨量水位一體站能夠在各種復雜環境下穩定工作,為水文監測提供了更為可靠的數據支持。···