聯系人:王經理
銷售電話:15610293837
銷售QQ:2962700085
公司地址:山東省濰坊高新區新城街道玉清社區光電路155號濰坊高新區光電產業加速器(一期)1號樓301

PRODUCT CENTER
聯系人:王經理
銷售電話:15610293837
銷售QQ:2962700085
公司地址:山東省濰坊高新區新城街道玉清社區光電路155號濰坊高新區光電產業加速器(一期)1號樓301
二要素車載氣象站又稱車載氣象站,小型車載式氣象站,二要素車載氣象站采用精密的傳感器和測量技術,能夠提供準確的氣象數據,廣泛應用于交通管理、氣象預警、野外探險等領域。
一、二要素車載氣象站產品簡介
車載氣象站采用精密的傳感器和測量技術,能夠提供準確的氣象數據,車載氣象站廣泛應用于交通管理、氣象預警、野外探險等領域。它可以幫助交通管理部門了解道路上的氣象條件,及時采取相應的措施; 對氣象預警部門來說,車載氣象站可以提供準確的氣象觀測數據,幫助預測和預警惡劣天氣;在野外探險中,車載氣象站可以提供實時的氣象信息,確保安全和順利完成任務。
WX-CZ2車載氣象站是一款高度集成、低功耗、可快速安裝、便于移動監測的高精度自動氣象觀測設備。
廣泛運用于氣象、農林、環保、海洋、機場、港口、科學考察、校園教育等領域。
該設備采用二要素一體式傳感器,可對風速、風向進行實時觀測,傳感器外殼采用進口ABS材質,更有效對抗鹽霧等環境,防護等級達到IP65以上。
標配485轉USB(有線連電腦)、藍牙(無線連安卓手機),可毫秒級采集。選配網卡傳輸,傳輸間隔最低1min。
二、產品特點
1、頂蓋隱藏式超聲波探頭,避免雨雪堆積的干擾,避免自然風遮擋
2、原理為發射連續變頻超聲波信號,通過測量相對相位來檢測風速
3、設備底部配備高強度磁鐵(橡膠包裹),可無損吸附于車頂。
4、減震防護拉桿箱,方便攜帶
5、內置電子羅盤,自動找北
6、北斗與GPS雙模定位,最高精度0.1米
三、技術參數
1、風速:超聲波原理,0~60m/s(±0.1m/s),可測真實風速
2、風向:超聲波原理,0~360°(±2°)
3、數據存儲:不少于50萬條;
4、功耗:1.75W
5、鋰電池:容量12000maH,續航時間≥50h
6、總重量:≤5kg;
7、布設時間:1人,不大于2分鐘完成布設;
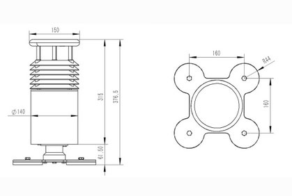
四、尺寸圖

五、上位機軟件介紹
1、PC單機版數據接收、存儲、查看、分析軟件
2、支持串口數據接收、處理、展示
3、支持json字符串、modbus485等通信方式
4、可自設置存儲時間,modbus485采集模式下可自設置采集時間
5、支持自助增加、刪除、修改監測參數的協議、名稱、圖標等
6、支持數據后處理功能
7、支持外置運行javascript腳本
六、安卓APP介紹
1、安卓單機版數據接收、存儲、查看、分析軟件
2、支持藍牙數據接收
3、手機休眠后軟件后臺接收、處理
4、json數據自動添加設備,modbus設備支持掃碼添加設備
5、支持歷史數據查看、分析、導出表格,支持曲線展示、單數據點查看。
6、支持數據后處理功能
7、支持外置運行javascript腳本
七、云平臺介紹 (選配)
1、CS架構軟件平臺,支持手機、PC瀏覽器直接觀測、無需額外安裝軟件。
2、支持多帳號、多設備登錄
3、支持實時數據展示與歷史數據展示儀表板
4、云服務器、云數據存儲,穩定可靠,易于擴展,負載均衡。
5、支持短信報警及閾值設置
6、支持地圖顯示、查看設備信息。
7、支持數據曲線分析
8、支持數據導出表格形式
9、支持數據轉發,HJ-212協議,TCP轉發,http協議等。
10、支持數據后處理功能
11、支持外置運行javascript腳本
WX-SQ17袖珍可穿戴手持氣象站集成了多種高精度傳感器,能夠實時監測溫度、濕度、氣壓、風速、風向等關鍵氣象要素。通過內置的微型處理器,這些傳感器收集的數據會迅速被轉化為可讀的氣象信息,供用戶參考。該氣象站采用輕巧便攜的袖珍設計,結合先進的可穿戴技術,用戶可以輕松將其佩戴在手腕、衣物或背包上,隨時隨地進行氣象監測。這種設計不僅提高了設備的便攜性,還確保了用戶在戶外活動或旅行時能夠實時獲取氣象信息。···
無人機EL檢測儀以其獨特的優勢,在光伏檢測領域大放異彩。這款集成了無人機技術與電致發光檢測技術的高科技設備,正逐步成為光伏電站運維不可或缺的得力助手。WX-EL4無人機EL檢測儀的最大亮點在于其高效性。傳統的人工檢測方式不僅耗時費力,而且難以覆蓋大面積的光伏電站。而無人機EL檢測儀則能夠迅速掃描整個電站,顯著提···
WX-GQX8交通自動氣象站最獨特之處在于它們的"場景化思維"。不同于普通的氣象監測設備,它們專門針對交通需求設計,能捕捉到對行車安全最關鍵的氣象要素。當團霧開始形成時,它們比駕駛員更早察覺;當路面出現結冰風險時,它們能提前預警。這種"設身處地"的監測視角,讓交通安全管理有了更精準的決策依據。···
WX-WY1GNSS邊坡監測系統采用了全球導航衛星系統(GNSS)的定位技術,通過布置在邊坡上的監測點,實時獲取邊坡的形變數據。這些數據經過系統處理和分析,可以精確地反映邊坡的穩定性狀況,為工程安全提供有力保障。GNSS邊坡監測系統具有顯著的優勢,它能夠實現高精度的定位和形變監測,有效避免了人為誤差和測量誤差對監測結果的影響。其次,系統具有實時性強的特點,能夠及時發現邊坡的微小形變···
WX-WQX2S超聲波風速風向儀利用超聲波原理來測量風速和風向。它通過發射超聲波脈沖,并接收其遇到空氣中顆粒物或空氣本身反射回來的信號,根據時間差和相位差計算出風速和風向。相較于傳統的機械式或熱式風速計,超聲波風速風向儀具有無機械磨損、響應速度快、測量范圍廣、精度高等顯著優勢,特別適用于復雜多變的環境條件。···
WX-XQ4校園氣象檢測站就是專門用于監測和記錄校園內氣象數據的設備。它通常由多個高精度傳感器組成,包括溫度傳感器、濕度傳感器、氣壓傳感器、風速風向傳感器等,這些傳感器能夠實時監測和記錄校園內的溫度、濕度、氣壓、風速、風向等關鍵氣象數據。通過這些數據,我們可以全面了解校園內的氣候狀況,為師生的日常生活和學習提供科學依據。···