聯系人:王經理
銷售電話:15610293837
銷售QQ:2962700085
公司地址:山東省濰坊高新區新城街道玉清社區光電路155號濰坊高新區光電產業加速器(一期)1號樓301

PRODUCT CENTER
聯系人:王經理
銷售電話:15610293837
銷售QQ:2962700085
公司地址:山東省濰坊高新區新城街道玉清社區光電路155號濰坊高新區光電產業加速器(一期)1號樓301
環境監測傳感器又稱智慧路燈監測傳感器,環境監測傳感器用于測量路燈周圍的空氣質量,提供了環境監測功能,為城市管理者和居民提供了更安全、高效和環保的路燈系統。
一、環境監測傳感器產品簡介
環境監測傳感器又稱智慧路燈監測傳感器,環境監測傳感器用于測量路燈周圍的空氣質量,提供了環境監測功能,為城市管理者和居民提供了更安全、高效和環保的路燈系統。
山東萬象環境科技有限公司作為專業研發生產氣象傳感器的企業,一直致力于氣象傳感器和氣象環境解決方案推廣應用。具有完整的生產鏈、實力雄厚的技術團隊和全面的營銷團隊,我們研發生產的傳感器已廣泛應用到智慧農業、氣象監測、城市環境監測、風力發電、航海船舶、航空機場、橋梁隧道等領域,客戶遍布全國各地,并取得了良好的社會效益和經濟效益。
二、產品特點
1、抗干擾能力強,具有看門狗電路,自動復位功能,保證系統穩定運行
2、高集成度,無移動部件,零磨損
3、免維護,無需現場校準
4、采用ASA工程塑料室外應用常年不變色
5、產品設計輸出信號標配為RS485通訊接口(MODBUS協議);可選配232、USB、以太網接口,支持數據實時讀取☆
6、可選配無線傳輸模塊,最小傳輸間隔1分鐘
三、技術參數
1、空氣溫度:-40-60℃(±0.3℃);(北京市氣象局校準證書)
2、空氣濕度:0-100%RH(±3%RH);(北京市氣象局校準證書)
3、光照:0-20W LUX(5%)
4、PM2.5:0-1000ug/m3(±10%)
5、PM10:0-1000ug/m3(±10%)
6、噪聲:30-120dB(±1.5dB)
7、功率:0.96W
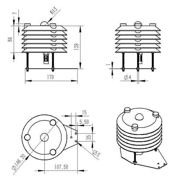
四、產品尺寸圖

五、產品結構圖

隨著氣候變化和環境問題的日益突出,氣象知識對于每個人來說都變得越來越重要。而中小學生作為未來的主人翁,他們應該從小培養對氣象學的興趣和關注。因此,在校園內建立氣象站,讓學生們親身參與氣象觀測和記錄,成為了一種非常有效的教育方式。一般來說,WX-CQ11中小學校園氣象站會包括一些基本的觀測設備,如風向標、風速儀、溫濕度計、氣壓計等。···
WX-GTS10土壤含水率監測站的核心技術在于高精度傳感器和物聯網技術。傳感器能夠實時、準確地測量土壤中的水分含量,而物聯網技術則能夠將這些數據傳輸至云端或本地數據中心,進行進一步的分析和處理。這些技術不僅提高了測量的準確性,還實現了數據的實時共享和遠程監控,使得農業生產管理更加便捷和高效。···
WX-NQ8農田氣象監測站專門為精細化農業的開展提供服務,它可對區域內溫濕度、大氣壓、雨量、土壤溫濕度、風速、風向等要素進行及時、準確、有針對性的在線監測,提供農業生產所需的氣象信息。這些信息可以幫助農民合理安排農業生產的時間和精細化農業管理,從而提高農作物的產量和質量。···
WX-GTS10農業土壤墑情監測設備通過內置的高精度傳感器,能夠實時監測土壤中的多項關鍵指標,如水分含量、溫度、電導率(EC)等。這些傳感器如同土壤中的“聽診器”,能夠準確捕捉到土壤的物理和化學性質變化,為評估土壤健康程度提供科學依據。傳感器被精確布置在土壤中,采集到的數據通過數據線或無線傳輸方式發送至數據采集器,再由數據采集器進行初步處理和存儲。···
WX-NQ12農田小氣候監測系統能夠實時監測農田內部的氣象參數,包括溫度、濕度、光照強度、風速、風向、雨量以及土壤溫濕度等。這些氣象參數對于農作物的生長至關重要,它們直接影響著作物的光合作用、呼吸作用、蒸騰作用以及營養吸收等生理過程。通過實時監測這些參數,農民可以準確了解農田微環境的變化,從而根據作物的生長需求,及時調整灌溉、施肥、通風等管理措施,為作物生長創造最佳的生長環境。···
WX-G1紅外雨量傳感器就是利用紅外技術來監測雨量的設備。它通過紅外線感知雨滴的數量和速度,進而精確計算出降雨量。相比傳統的雨量計,紅外雨量傳感器具有更高的靈敏度和準確性,而且不受環境溫度、濕度等外界因素的影響,可以全天候工作。在農業灌溉中,紅外雨量傳感器發揮了巨大的作用。通過實時監測降雨量,傳感器可以自動調節灌溉系統,實現精準灌溉。···