聯系人:王經理
銷售電話:15610293837
銷售QQ:2962700085
公司地址:山東省濰坊高新區新城街道玉清社區光電路155號濰坊高新區光電產業加速器(一期)1號樓301

PRODUCT CENTER
聯系人:王經理
銷售電話:15610293837
銷售QQ:2962700085
公司地址:山東省濰坊高新區新城街道玉清社區光電路155號濰坊高新區光電產業加速器(一期)1號樓301
環境監測傳感器又稱大氣監測傳感器,智慧路燈監測傳感器,環境監測傳感器對環境參數實時監測和遠程控制,廣泛應用于氣象、環保、農業、工業等領域,為人們提供了重要的環境信息,幫助人們更好地了解和管理環境。
一、環境監測傳感器產品簡介
環境監測傳感器又稱大氣監測傳感器,智慧路燈監測傳感器,環境監測傳感器對環境參數實時監測和遠程控制,廣泛應用于氣象、環保、農業、工業等領域,為人們提供了重要的環境信息,幫助人們更好地了解和管理環境。
山東萬象環境科技有限公司作為專業研發生產氣象傳感器的企業,一直致力于氣象傳感器和氣象環境解決方案推廣應用。具有完整的生產鏈、實力雄厚的技術團隊和全面的營銷團隊,我們研發生產的傳感器已廣泛應用到智慧農業、氣象監測、城市環境監測、風力發電、航海船舶、航空機場、橋梁隧道等領域,客戶遍布全國各地,并取得了良好的社會效益和經濟效益。
二、產品特點
1、抗干擾能力強,具有看門狗電路,自動復位功能,保證系統穩定運行
2、高集成度,無移動部件,零磨損
3、免維護,無需現場校準
4、采用ASA工程塑料室外應用常年不變色
5、產品設計輸出信號標配為RS485通訊接口(MODBUS協議);可選配232、USB、以太網接口,支持數據實時讀取☆
6、可選配無線傳輸模塊,最小傳輸間隔1分鐘
三、技術參數
1、空氣溫度:-40-60℃(±0.3℃);(北京市氣象局校準證書)
2、空氣濕度:0-100%RH(±3%RH);(北京市氣象局校準證書)
3、光照:0-20W LUX(5%)
4、PM2.5:0-1000ug/m3(±10%)
5、PM10:0-1000ug/m3(±10%)
6、噪聲:30-120dB(±1.5dB)
7、功率:0.96W
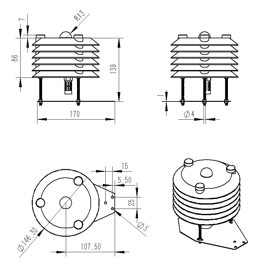
四、產品尺寸圖

五、產品結構圖

當一場突如其來的洪水威脅著村莊的安全,傳統的氣象預報可能因地域廣闊、數據更新慢而無法提供即時的現場氣象信息。而這時,WX-PQX6應急氣象設備就像是一位隨身攜帶的“氣象專家”,它能夠在幾分鐘內迅速搭建起來,開始收集并分析現場的溫度、濕度、氣壓、風速風向以及降水量等關鍵氣象數據。這些數據通過內置的智能算法處理,能夠立即生成高精度的短期天氣預報,為決策者提供寶貴的決策依據,使救援隊伍能夠提前部署,有效減少災害損失。···
WX-YJ1自動雨量站是一種高精度、實時監測、長期穩定的降水測量設備,可以為氣象、水文、環保等領域提供準確的氣象數據支持,它是以無線遠程發送的形式向人們發送雨量數據,這些數據包括降雨狀態、每次數據采集間隔的降雨量、天降雨量、周降雨量、月降雨量、年降雨量等,登錄物聯網平臺就可以查看,包括實時數據和歷史記錄。···
WX-BQX8移動式自動氣象站通常具備高精度、高效率、便攜性和靈活性等特點,這些小型且輕便的設備能夠迅速部署至任何地點,無論是偏遠的山區、廣袤的沙漠、災害現場,還是城市的角落,都能即時開展氣象數據的采集工作。它們能夠實時監測風速、風向、溫度、濕度、氣壓、降水量等核心氣象要素,為決策者提供全面、準確的氣象信息支持。···
WX-BGF11光伏電廠氣象站配備了多種高精度傳感器,能夠實時、準確地監測溫度、濕度、風速、風向、太陽輻射等關鍵氣象參數。這些參數對于評估光伏電站的發電效率、預測能量產出以及制定維護計劃都至關重要。高精度監測能力確保了數據的準確性和可靠性,為光伏電廠的運維決策提供了科學依據。···
WX-GS5管式土壤溫濕度傳感器有著獨特的工作方式。它以管式的形態深入土壤之中,與土壤親密接觸。這種設計讓它能夠全方位、多層次地感知土壤內部的環境變化。土壤并非是均勻單一的,不同深度、不同位置的溫濕度可能存在差異。而管式的設計使得傳感器可以同時捕捉到這些細微的變化,為我們呈現出一個立體、真實的土壤溫濕度畫面。···
WX-LSZ06水生態監測系統具有多項功能特點,使其成為水產養殖業中不可或缺的監測工具。首先,系統能夠實時監測水質參數,如溶解氧、pH值、溫度、濁度等,確保養殖水體的穩定和健康。其次,系統具備高度的自動化和智能化水平,能夠自動采集、存儲和分析數據,減少人工操作的繁瑣和誤差。此外,系統還能夠提供預警和報警功能,當水質參數超出預設范圍時,及時提醒養殖者采取相應措施,防止水質惡化對養殖生物造成不利影響。···